一、產品介紹
BND-S30K-80激(jī)光功率計探頭(tóu)適用於測量高功率密度的激光,水冷卻模式下最大持續測量功率可達30kW,具有ɸ80mm的探測(cè)口(kǒu)徑。
二、產品特征
· 錐體結構
· 水冷模(mó)式
· 80mm探測口徑
· PC端USB接口輸出可選
· 最大連續測量功率可達30kW
三、產品參數
| 型號 | BND-S30K-80 |
| 吸光範圍(wéi)(μm) | 0.8 - 25 |
| 最大功(gōng)率(kW) | 30 |
| 吸收(shōu)體類型 | PT |
| 探測口徑(jìng)(mm) | 80 |
| 最大平均功率密度 | 10kW/cm² |
| 入射光束照射要求 | 為避免收集器受損壞,對入射光束照射位置與傾斜角度提出如下要求: ①入(rù)射光束(shù)中心應照射在探頭錐體中心,最大位置偏移量不超過光斑直徑的1/4。 ②入射光束最(zuì)大傾斜角(jiǎo)度(dù)±5度。 |
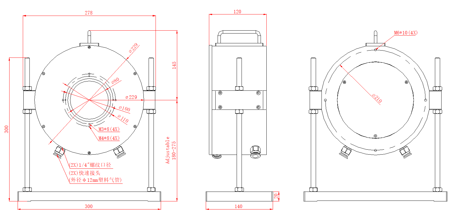
| 規格(mm) | Φ229 × 120 |
| 冷卻方式 | 水冷 |
| 冷卻水流量(L/min) | 8 - 15 |
四、尺寸

